在生產過程中,經常會遇到一些薄壁零件的加工,而這些零件往往又是產品裝配使用過程中的關鍵件,其尺寸精度、形位公差和表面粗糙度均要求較高,但由于結構剛性差,加工過程中很容易出現兩種質量問題:裝夾變形超差和熱變形超差。
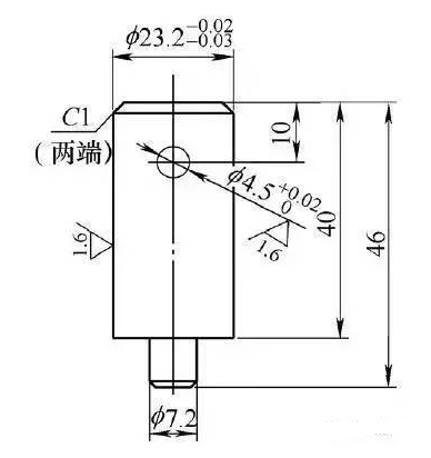
圖1所示的套筒作為一典型的薄壁零件, 在執行銑削左端寬16+0.040 mm、深(7±0.08)mm槽的加工過程中,經常出現加工尺寸精度、形位公差超差現象,嚴重影響了生產進度。

圖 1
1.零件結構及工藝性分析
圖1 所示零件的材料為40Cr,要求熱處理硬度達到28~32HRC,零件右端孔的內徑為23.2+0.030 mm、外徑為26 0-0.03mm,孔深(38±0.15)mm,圓柱方向上有寬4.5+0.020 mm、深2.3+0.080 mm的鍵槽。
其中右端內孔、外圓和鍵槽均已加工完畢。只有左端寬16+0.040 mm、深(7±0.08)mm的槽待加工,由圖樣可知,該鍵槽壁厚僅為2mm,且兩側面與已加工鍵槽的平行度要求和對稱度要求分別為0.04mm和0.02mm。一般情況下,加工槽常用的方法有兩種:線切割和銑加工,且尺寸有保證, 但是線切割工作效率低、與已加工鍵槽的形位公差很難保證;若采用銑加工,只能自制專用工裝夾具夾持φ 26 0-0.03mm外圓,工作效率雖能有效提高,但容易引起裝夾變形和銑削加工的熱變形。
因此加工該零件時,重點是要解決裝夾變形和銑加工中的熱變形問題,難點是要保證兩鍵槽形位公差的同時,還需要保證零件左端槽銑加工后,其右端已加工孔φ 23.2+0.030 mm的圓度變形量超差≤0.04mm。
2.機床選擇、工裝設計與制造
(1)機床選擇。根據對零件的結構和加工工藝性的分析,可以選擇的加工設備有座標銑、工具銑或中立銑。在此,選X8126萬能工具銑來完成本工件槽的銑削加工。
(2)工裝設計。由于工件屬于薄壁零件,不當的裝夾方法將會造成零件的報廢。大量的實踐證明,影響零件加工精度的因素主要有夾具誤差、工藝系統的彈性變形及熱變形、工件本身力學性能引起的誤差等。為了能很好地保證該套筒零件中待加工槽與已加工鍵槽之間的平行度公差,保證工件不產生裝夾變形。為此,設計了一套專用銑夾具(見圖2~圖4)。

圖2 夾具體

圖3 心軸

圖4 定位銷
(3)工裝制造。為了使用過程操作方便,此工裝夾具體是在機用平口臺虎鉗鉗口基礎上,改裝加工制作而成的。心軸、定位銷單獨下料加工,材料選用45鋼,熱處理硬度28~32HRC。工裝在加工過程中,最關鍵的就是保證φ 26 0-0.05mm與槽寬4.5+0.020 mm的同心度一致,心軸φ 23.2-0.02-0.03mm與工件內孔的間隙不超過0.03mm;同時,為保證零件的形位公差,心軸的銷孔、活動鉗口的缺口尺寸均與零件相同,即4.5+0.020 mm,定位銷外圓尺寸為φ 4.5-0.01-0.02 mm。
3. 工裝使用方法
此工裝的使用過程: 將心軸放入工件內徑中,用手轉動心軸,使鍵槽方向與工件鍵槽方向一致,然后將定位銷插進工件的鍵槽內,最后將這一整體放入虎鉗口,使用既安全,又簡單可靠(見圖5)。工裝能夠包容的面超過工件表面的2/3,鍵與心軸的使用,保證了工裝與工件的加工基準達到統一,避免了裝夾后工件兩處鍵槽之間的位置度超差,且心軸同時還能起到支撐作用,防止心軸與工件因間隙的存在而脫落。裝夾時,由于心軸與工件內徑間隙保持在0.03mm之內,不必擔心會因夾緊力而造成工件的變形。由于銷在工裝上的緊密配合,再加上機用虎鉗的夾緊力,完全避免了由于工件在加工過程中的松動和滑移而造成的兩處鍵槽間形位公差的超差。

圖5 零件加工裝夾示意圖
1.平口臺虎鉗 2.工件 3.銷 4.心軸
4. 銑削加工過程
( 1 ) 刀具的選擇。根據圖1 可知, 待加工槽的深度是(8±0.08)mm,可以選擇善于加工凹槽的高速鋼立銑刀來完成任務,加工中常因夾緊力、切削力、殘余應力和切削熱等因素的影響而產生變形,因此切削過程應分為粗加工和精加工( 都用φ 14mm的銑刀),兩道工序分開進行,以便于在精加工時把粗加工中產生的變形進行很好地糾正,這樣便于尺寸精度、加工表面粗糙度及鍵槽的位置度能更好地達到圖樣的要求。
(2)銑削過程及銑削參數的選擇。因為工件材料為40Cr鋼,硬度為28~32HRC,該材料可切削加工性能較好。根據所選機床特性、所選銑刀直徑及銑削切削參數計算公式,確定主軸的轉速和進給速度n=Vc×1 000/π×Dc(1)Vf=fz×n×zn (2)最后可以確定粗、精加工的參數范圍。粗銑: 主軸轉速80~120r/min,進給速度15~25mm/min,吃刀量5.0~6.4mm;精銑:主軸轉速350~500r/min,進給速度10~15mm/min,吃刀量0.06~0.1mm。
加工過程中可根據所使用機床性能、材料的組織加工性能、銑刀直徑及切削受力情況,調整至合適的銑削參數。
(3)切削液的選擇。為了減少切削熱對加工過程及工件加工質量的影響,應選擇合適的切削液來保證加工效果。比較常用的三種切削液:水溶液、切削油和乳化液。水溶液是以水為主要成份,并加入防銹添加劑的切削液,有時加入皂類、硫化蓖麻油等活性物質后,不僅具有很好的潤滑作用,而且還有較強的冷卻效果;切削油是幾種礦物油的混合液,主要用于車削、攻螺紋、銑削及孔加工等,能起到很好的潤滑作用;乳化液是由水和油按一定比例組成的混合液,其中濃度低的主要起冷卻作用,用于粗加工和磨削加工,濃度高的主要起潤滑作用,用于精加工。
綜合上述3種切削液的優缺點,考慮經濟成本和加工需要,選用肥皂水來作為銑加工中的切削液。該切削液具有較好的冷卻效果,是機加工中最常用的,可以同時冷卻刀具和工件,使切削溫度降至最低,既能保證加工過程中的工件變形量達到最低,又能保證得到良好的表面粗糙度,還能較好地延長刀具使用壽命。
(4)零件試加工。按照上述方法,進行了首批5件零件的試加工,加工后的結果如附表所示。
試加工結束后,又經過對兩批次(共50件)零件的加工,經檢驗,完全能滿足設計要求,時間也基本控制在10min以內。
5. 結語
通過上述刀具的選擇、加工參數的確定、工裝的設計及切削液的使用,能夠使工件裝夾定位方便、夾緊可靠、操作方便且加工過程平穩,能更好地保證加工質量。通過以上方法,該零件的加工質量得到了明顯提高,加工時間短,勞動生產率高,產品合格率達到99%以上,適合零件批量生產的需要。此零件的加工方法具有較廣泛的通用性,值得推廣。