1. 概要
IGBT作為大功率電力電子器件廣泛應用于各種工業設備中。為了滿足安全要求,這些設備在電氣設計和生產過程中要遵循相應的規范。耐壓測試是對安全設計最為重要的檢測和評估手段,又被稱為高壓測試,隔離測試,抗電強度測試。那么,針對不同應用的IGBT裝置,測試電壓大小該如何確定?測試時間多長?使用交流電壓測試好還是直流電壓測試好?帶著這些問題,我們一同了解下該如何實施IGBT裝置的絕緣耐壓測試。
1.1 耐壓型式試驗
耐壓型式試驗用來驗證安全間距和絕緣是否具備足夠的抗電強度來承受可能出現的過電壓。通過耐壓型式試驗還可以檢驗設備在整個生命周期內是否可以安全工作。在測試中,設備在整個生命周期承受的電氣應力被等效為短時間內施加的高壓,經驗公式如下:

Uoperating voltage: 工作電壓
Tlifetime: 設備壽命
Utest voltage: 測試電壓
Ttest time: 測試持續時間
在一些安規標準中,上面的經驗公式被用來確定耐壓型式試驗的測試條件(指數n=6)。一般會以設備預期壽命20年來計算對應的測試電壓。以此計算,一臺工作電壓為230V的設備的耐壓型式試驗測試條件應為3400V,持續一分鐘。
需要注意的是,經過耐壓型式試驗測試過的設備絕緣會完全老化,不能再次使用。因此被測樣品應該在測試后做報廢處理。
1.2 常規耐壓測試(出廠耐壓測試)
與型式試驗不同,常規耐壓測試的目的是確認設備的安全間距和絕緣沒有在生產過程中降低或損傷,篩選出絕緣性能有缺陷的材料。為了確保所有絕緣相關的生產失效被檢出,耐壓測試應該被安排在設備的所有裝配流程完成之后。
常規耐壓測試的標準應該既可以檢出安全絕緣相關的失效,同時又最小程度的造成設備的絕緣老化。基于章節1.1的經驗公式,典型的常規耐壓測試對于受檢設備的壽命影響應該小于0.000001%。
因為耐壓測試會對絕緣性能造成降級。當必須要重復進行耐壓測試時,第二次測試的電壓幅值需要適當降低,通常安規標準給出的建議是第一次測試幅值的80%。
雖然有些標準中給出的測試時間較長,如60秒,但典型的常規耐壓測試持續時間是1秒或者3秒。對于半導體器件UL1557中有建議通過增加測試電壓的方式來縮短測試持續時間。比如額定電壓測試60秒可以等效為120%額定電壓測試1秒。賽米控產品的耐壓測試條件通常會在數據手冊中給出(Visol)。如果標注的測試持續時間為5秒或60秒,則為耐壓型式試驗條件;如果標注的測試持續時間為1秒或3秒,則為常規耐壓測試條件。
2. 耐壓測試
2.1 測試設備
市面上有很多品牌的耐壓測試設備,主要區別在于:
最高施加電壓能力
最大施加電流能力
交流或直流電壓選項
這些設備基本都可以滿足EN61180中對耐壓測試設備相關的要求。除了穩定的電壓質量,耐壓測試設備的短路輸出電流能力要高于200毫安。UL1557標準中規定,500VA的變壓器應該足以維持測試要求的電壓。
2.2 測試條件
一般情況下,耐壓測試采用50Hz或60Hz的交流電壓進行測試。如果被測電路中含有電容,建議以等同于標注交流電壓峰值的直流電壓進行測試。值得注意的是,由于被測絕緣物質的抗電特性不同,直流電壓并不能完全等效于交流電壓。測試電壓的極性對閃絡電壓會有影響,所以直流電壓測試應變換正負極測試兩次。帶有較大面積銅底板的半導體模塊的陶瓷基板兩面間具有相對大的寄生電容(可高達10uF),因此建議使用直流電壓進行耐壓測試。在出現故障時,直流電流對于人心臟損傷風險更低,出于人身安全的考慮,在生產線上建議使用直流電壓進行耐壓測試。另外,按照安規規定,交流耐壓測試的漏電流小于3毫安時可以不需采取額外的安全措施。而對于直流耐壓測試,漏電流的要求是低于12毫安無需采取額外的安全措施。如果漏電流高于這些規定值,很多國家都強制要求測試在特制測試房或有警示燈提示的密閉空間進行。
有些標準規定了耐壓測試的環境條件,典型條件為環境溫度為15°C到35°C,相對濕度45%到75%,大氣壓在860hPa到1060hPa之間。
2.3 被測設備
耐壓測試的被測設備可能包含彼此電氣隔離的幾部分電路,這些電路內或電路之間的絕緣有以下分類:
功能絕緣:在電路內部分隔了不同電位,但是不是安全相關的隔離;
基本絕緣:隔離了與電網相連的電路和接地的裸露部件。因為裸露部件的接地,基本絕緣擊穿后不會導致人身安全受損;
保護性(雙重/加強)絕緣:隔離了與電網相連的電路和不接地的裸露部件或控制電路。這類絕緣擊穿后會使得操作人員可能接觸的控制電路帶有電網電位,具有致命的危險。
功能絕緣不需要進行耐壓測試,只有與安全性相關的基本絕緣和加強絕緣需要通過耐壓測試來驗證隔離性能。
2.4 測試流程
大部分電氣設備標準要求進行耐壓測試時滿足以下條件:
被測電路(設備)的外部端子要連接在一起;
設備中的斷路器(接觸器)應該處于閉合狀態或被旁路;
電壓阻斷類器件(如整流二極管)的端子要連接在一起。
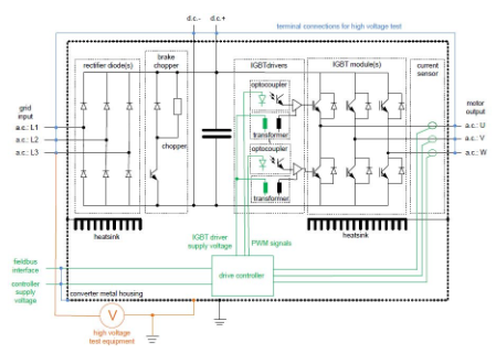
下圖展示了一臺變流器的耐壓測試連接示例:

圖1 耐壓測試中變流器所有端子的連接示例
如果被測設備包含相互間具有基本絕緣或是雙重絕緣的幾部分電路,那么就需要對每部分絕緣都進行耐壓測試。耐壓測試電壓等級相同的電路可以被連接在一起測試。由于測試要求的電壓不同,耐壓型式試驗和常規耐壓測試的電路連接可能會有所不同。
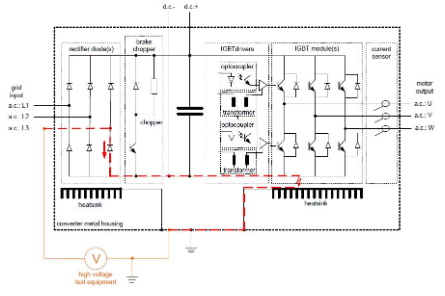
下圖是為了減少耐壓測試次數,對一臺變流器的不同功能電路端子連接示例:

圖2 減少耐壓測試次數的變流器功能電路連接示例
示例中,連接到電網的功率部分對地具有基本絕緣能力。標綠色部分是驅動控制電路,其與功率部分具有加強絕緣隔離,驅動控制電路對地電壓低于50V。如果該設備的基本絕緣和加強絕緣測試電壓和持續時間相同,則可以將驅動控制部分與地連接在一起對功率部分做耐壓測試;如果測試電壓不同,這三部分電路(地,功率部分,驅動控制部分)就需要分別進行耐壓測試。
IGBT功率模塊的溫度傳感器通常對功率部分只有功能絕緣能力。這意味著耐壓測試時溫度傳感器應該與功率部分連接在一起,但大部分的應用場景里該溫度傳感器是與驅動控制部分電路連接在一起的。即便這種連接通過了耐壓測試,也并不意味著溫度傳感器與功率部分的絕緣滿足加強絕緣。
如果外部端子沒有按照要求相互短接在一起,半導體器件有可能在耐壓測試故障時損壞。耐壓測試的電壓等級通常會比半導體器件的阻斷電壓高,一旦測試中某處直流電壓母線上絕緣失效且測試電壓是連接在交流端子上,則本例中全部的測試電壓會施加在二極管上導致其電壓擊穿,如下圖所示。

圖3 耐壓測試中絕緣失效導致半導體器件過壓的示例
在進行耐壓測試之前,設備中的浪涌保護器件必須被斷開。如果施加測試電壓的設備端子間并聯了大容量的電容,進行交流耐壓測試可能會很困難,甚至是不可能完成的。因為耐壓測試設備對電容的充電電流可能會超過設定的允許漏電流閾值。對于這種情況,可以在進行耐壓測試前斷開并聯電容。如果無法斷開電容,建議使用直流電壓進行測試。
表1中給出了部分功率電子相關標準中對耐壓測試的要求:
電氣傳動設備[3][23]
不間斷電源(UPS)[13]
光伏電源系統[14]
動力裝置[7][10][15][16][22]
鐵路應用[6][17]
信息技術[18]
功率半導體[8][20]
表1中數據對1000V以下的基本絕緣有效。
表1 不同標準規定的耐壓測試條件



2.5 測試電壓幅值
耐壓測試的電壓幅值與被測設備的工作電壓相關。基于此原因,設備與電網間的接法就至關重要。在星形接法中(TN),相電壓小于線電壓,因此設備絕緣的電壓應力要比同樣電壓等級的三角形接法(相電壓與線電壓相等)要小。
表2給出了數個相關標準中對于星型接法設備基本絕緣的測試電壓。對于常見的典型電網電壓,分別列出了型式試驗和常規測試適用的測試電壓幅值。
表2 不同標準中對于星型接法設備的基本絕緣規定的交流電壓測試值

不同標準中規定的測試電壓差別很大(最多差三倍)。半導體模塊生產廠家通常會在模塊的絕緣設計時考慮滿足所有相關標準中的最高要求。
表3給出了數個相關標準中對于星型接法設備保護性絕緣的測試電壓。對于常見的典型電網電壓,分別列出了型式試驗和常規測試適用的測試電壓幅值。
表3 不同標準中對于星型接法設備的保護性絕緣規定的交流電壓測試值

半導體模塊本身不具備安全隔離功能,因此上表給出的電壓只適用于使用了半導體模塊的設備測試。測試電壓必須持續增加到最大值且維持一段時間。某些標準定義了維持時間,如最短5秒。
2.6 測試失效
不同標準中對于耐壓測試中失效模式的描述大致如下:
電氣擊穿:受測絕緣或隔離在測試中出現失效導致放電電流直接通過,兩端測試電極電壓接近于零;
破壞性放電:介質擊穿后形成的電弧通路;
跳火:氣態或液態介質中發生的破壞性放電;
閃絡:氣態或液態媒介中的固態介質表面發生的破壞性放電;
穿刺:固態介質發生的破壞性放電。
不同標準中對耐壓測試失效的定義并不一致,有些甚至相互沖突。一般來說滿足以下條件就認為通過耐壓測試:
沒有破壞性放電發生,漏電流不超過規定值;
沒有擊穿或絕緣擊穿發生;
測試電流沒有以不受控方式增長。電暈放電或單次的瞬時閃絡不認為是絕緣擊穿。
3 耐壓測試與其他隔離測試的區別
3.1 脈沖電壓測試
用來模擬大氣中出現的過壓,包括由于設備開關動作引起的過壓。通常用來驗證器件的安全間距或固態絕緣具有足夠的抗電強度。這種測試的優點是測試時間非常短,施加在絕緣上的電氣應力很小,不會造成被測器件的絕緣老化。
固態絕緣的抗電特性與安全間距不同,隨著施加電氣應力時間增加,固態絕緣的抗電能力會顯著下降。因此,脈沖電壓測試不能夠替代耐壓測試來驗證固態絕緣的抗電能力。
3.2 局部放電測試
確認器件中的固態絕緣在規定的電壓范圍內沒有局部放電現象。在安全間隙中未引起擊穿的局部放電可以忽略。局部放電測試施加電壓通常會低于大氣中可能出現的過壓幅值。
3.3 絕緣電阻測試
被用來評估設備的絕緣狀況。一般在設備的日常維護中使用此方法。通過一段時間(數年)的監測記錄,前后測試結果的比較用來評估設備絕緣是否有老化。由于端子間電壓很低,絕緣電阻測試設備無法用來評估設備中安全間距的降級。