很多零件待加工部位,不利于機床正常加工,如果不采用措施,會給加工帶來困難,增加輔助加工時間,尺寸精度不易保證,加工質量受到影響。本文介紹加工某設備上的偏心套零件,通過夾具改變零件相對機床的位置,利于機床加工,縮短輔助時間,并保證零件質量。
該偏心套零件如圖1所示。零件材質45鋼,大批量生產。外圓直徑100mm,公差0~0.1mm,偏心孔直徑50mm,公差0~0.016mm,偏心距15mm,各部表面粗糙度值均為Ra=1.6μm,厚度30mm。按照常規方法加工是先車外圓,然后找正車偏心孔。由于偏心孔的中心找正較困難,輔助時間較長,加工效率低。另外
圖1 偏心套零件加工質量也存在問題,導致孔距超差,偏心孔尺寸精度超差,影響零件總體質量。為提高加工效率和零件質量,決定設計夾具,依靠夾具限制零件相對機床的加工位置,保證加工順利進行。
普通臥式車床三爪自定心卡盤正常裝夾零件外圓,使零件上偏心孔的中心與普通臥式車床回轉中心偏離15mm,設計夾具,通過夾具限制,使零件安裝到夾具里,其偏心孔中心與普通臥式車床回轉中心重合,這樣就可以順利加工偏心孔了。
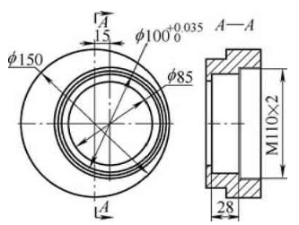
夾具組裝如圖2所示。夾具體(見圖3)外圓為圓形,并加工成階梯形,供普通臥式車床三爪自定心卡盤卡爪裝夾用,夾具體其上加工階梯形偏心孔,偏心孔直徑100mm,公差0~0.035mm,與零件外圓φ1000-0.1mm相配合,偏心孔中心與夾具體中心偏心15mm,偏心孔底部留直徑85mm止口,用于限制零件位置。偏心孔深度28mm,低于零件厚度30mm,保證夾緊螺母擰緊后直接接觸零件表面。偏心孔最大直徑是M110×2mm細牙螺紋孔,與夾緊空心螺母配合,用于夾緊零件。夾緊空心螺母厚度方向外表面為階梯形,六方形絲扣組成。中間為空心孔,將零件待加工部位留出。夾具體采用45鋼,調質熱處理,表面淬火熱處理,增加耐磨性。表面加工要光滑,利用找正調整。

圖2 車加工偏心套夾具
1.零件 2.三爪自定心卡盤 3.夾具體4.夾緊空心螺母

圖3 夾具體零件
首先將夾具體安裝在普通臥式車床三爪自定心卡盤上,找正調整,保證夾具體中心與普通臥式車床回轉中心重合,夾具體平面與普通臥式車床回轉中心軸線垂直;將加工完成外圓和厚度尺寸的零件安裝在夾具體偏心孔里,夾緊空心螺母安裝在夾具體螺紋孔里,擰緊鎖緊零件。零件外圓表面與夾具體偏心孔表面構成軸孔定位,可以認為組成4點定位,零件端面與夾具體偏心孔底部止口構成小平面定位,組成2點定位,總體構成6點定位。空心螺母與夾具體絲扣構成螺紋夾緊。
零件固定后進行加工。零件偏心孔加工完成后,卸下螺母,勾住零件偏心孔,卸下零件。夾具體固定不動,安裝下1個零件,再一次擰緊空心螺母即可進行下1次加工。往復循環,直至全部加工完成。
使用該夾具加工偏心套零件,僅需1次找正,后續加工無需再找正,大大縮短輔助找正時間。夾具安裝到機床上后,僅需利用空心螺母夾緊零件,后續加工無需用三爪自定心卡盤裝夾,夾緊方式簡單易行。利用該夾具加工,操作方便、可靠。通過大批量加工,零件尺寸精度和表面粗糙度完全合格,質量得到保證。