生產實踐中,許多零件是由多個部分組焊,再經機械加工而成,而這些零件組焊后往往形狀不規則,在實際加工中會出現定位基準不易確定,找正、裝夾困難的情況。
蓄能器本體就是一種典型的組焊異形零件。本文通過分析該產品的零件結構及加工難點,制定加工工藝流程,確定加工方案,通過加工順序和工藝流程的優化、生產設備的合理選用、加工工序的對比、工裝的設計以及加工中工裝設計的改進,達到一次性保證零部件所有加工要素、尺寸精度和幾何公差的要求。
通過上述建立的滲流計算網格模型、定義的滲流計算參數以及設置的初始條件和邊界條件,計算得出各工況的滑坡地下水浸潤線,見圖8和圖9。
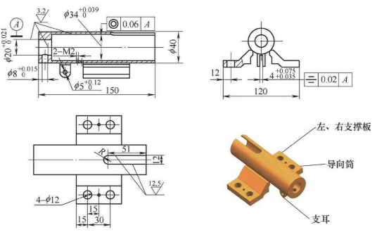
(1)零件結構。蓄能器本體由導向筒、左支撐板、右支撐板和支耳4部分組焊而成,其外形與飛機相似,如圖1所示。

圖1 蓄能器本體結構
底部支耳為“前輪”,左、右支撐板為兩“側翼”,中間導向筒回轉部分為“機身”。導向筒為臺階式薄壁空心桿,長度150mm,外圓直徑40mm,內孔直徑34mm。左、右支撐板分別焊接在導向筒兩側且間距尺寸為120mm,支耳焊接在導向筒回轉體正中間。
(2)加工難點。蓄能器本體為手工組焊件,焊接過程中各組件定位偏差較大,焊后存在焊接變形,且該件組焊完成后需進行表面噴砂處理,噴砂處理后產品表面粗糙度增大,導致機械加工過程中出現定位基準不易確定、找正和裝夾困難的問題,很難保證尺寸加工精度和幾何公差要求。
根據設計要求,如圖1所示,在回轉體0°、90°和180°方向分別都有加工要素,其中在支耳方向加工要素居多,且關鍵尺寸較為集中,因此將支耳設為0°方向。導向筒回轉部分180°方向設計有長51mm、寬12mm槽,支耳處加工通槽寬為4+0.075 +0.035mm,在保留焊縫的前提下加工完成支耳外形,保證支耳厚度為12mm,并制成孔φ8+0.015 +0 mm和2-M2螺紋通孔,保證孔φ8+0.015 +0 mm、支耳通槽寬為4+0.075 +0.035m m且對稱度為0.02mm;在90°方向支耳側面進行孔φ5+0.012 +0 mm加工,并確保與孔φ8+0.015 +0mm尺寸26±0.1mm和導向筒中心位置32m m,并在左、右斜板處加工制成4-M5、4-φ12mm孔,保證相關位置尺寸65.5mm、45mm和45mm。
根據地震資料,通過反演提取出各項屬性進行分析。由于反演存在多解性,所以需要鄰井資料加以約束。由于傳統流程成像能力不足,對復雜地表條件、干擾類型多樣、速度變化劇烈的區域,信息搜集效果有限。采取的措施是增加對井信息的搜集,同時對構造質控等進行融合精細處理,對多方面的資料進行反復論證,這樣可以有效地進行參數處理和方案選取,實現資料品質的提升。根據淺水流砂體的地球物理屬性特征,結合區域內鉆井數據的約束,可以識別并預測潛在淺水流砂體的分布特征。預測方式示意圖見圖2。
由于該零件支耳、孔φ8+0.015 +0 mm、2-M2螺紋通孔要與杠桿、鎖軸、鎖軸銷和銷軸組裝后進行靈活可靠運動,要求無卡滯現象,如圖2所示,所以圖1中支耳外形12mm、槽4+0.075 +0.035mm、φ8+0.015 +0 mm和2-M2螺紋通孔、支耳側面孔φ5+0.012 +0 mm成為該產品的加工難點。
錦鯉,本是一種高檔觀賞魚。2018年國慶期間,支付寶官方微博推出尋找“中國錦鯉”轉發抽獎活動,贈予中獎者包括旅行、餐飲、美容在內的“中國錦鯉全球免單大禮包”。這引發網友瘋狂轉發。“錦鯉”一詞也因此走紅,成為“好運”的象征。
高職酒店英語教學內容必須以酒店的核心工作和任務為基礎,構建任務型教學模式,把教學和實踐有機結合起來。可以按照以下內容來設計教學模塊:核心崗位—典型作業任務—具體工作項目。

圖2 蓄能器裝配示意
1.鎖軸銷 2.鎖軸 3.杠桿 4.銷軸
因該零件在回轉體多個方向有加工要素,且加工要素分散在4個組焊件中,必須合理安排加工流程,結合實際加工經驗和該產品復雜結構,確定加工工藝流程。
(1)加工順序。0°方向為第1加工點(加工支耳厚度12mm、支耳通槽寬4+0.075+0.035mm、制成孔φ8+0.015 +0 mm和2-M2螺紋通孔、制成左和右斜板處4-M5孔以及4-φ12mm孔),90°方向為第2加工點(加工支耳側面孔φ5+0.012 +0m m,并確保與孔φ8+0.015 +0 mm、尺寸26±0.1mm和導向筒中心位置32m m尺寸要求),180°方向為第3加工點(長51mm、寬12mm環形槽)。
(2)加工方案。加工方案1:選用三軸立式加工中心,使用通用夾具平口鉗作為夾具進行定位裝夾,按上述加工順序進行加工。用平口鉗夾緊兩端面,并在左、右斜板下端放置兩個千斤頂作為輔助支撐進行加工。該種加工方案在實施后,其0°方向的多個關鍵加工要素無法保證尺寸精度及幾何公差要求,導致與之配合的其他零部件無法正常使用,同時工步分散加工,需要多次找正、裝夾零件,輔助時間浪費多、沒有遵循基準統一原則,造成產品報廢率較高,所以該方案不可行。
加工方案2:數控加工中心本身是一種功能較全的數控機床,它可以把銑削、鏜削、鉆削和攻螺紋等加工集中在一臺設備上,一次裝夾可以實現多工序集中加工,減少多次裝夾帶來的誤差,利用加工中心“多工序集中”的優勢,結合加工方案1的經驗和方法改變加工思路,將數控“柔性化”思想引用到實際生產中。本加工方案選用立式四軸加工中心,制作臺階式心軸,利用上道工序已加工完成的導向筒內孔為定位基準,采用“一夾一頂法”,并在左、右支撐板下用千斤頂做輔助支撐,增強剛性,保證進行一次裝夾滿足回轉部分所有加工要素,該加工方法裝夾次數少,更有利于保證各表面間的位置精度,能夠極大地減少輔助時間的浪費,從而大幅提高生產效率。
(1)工裝設計。結合零件結構特點制作臺階式心軸,如圖3所示。該工裝包括夾緊部分、定位部分、配合部分、鎖緊部分及頂尖輔助部分。該工裝在制作時需保證一次加工完成,因為零件組焊、外形噴砂過后本身沒有基準,工裝做好后,將零件與工裝配合裝夾好,要在工裝上作為Y方向的基準點來進行對刀。該工裝在車削過程中圓柱度、同軸度需保證在0.02mm以內,其尺寸精度與零件導向筒內孔尺寸控制在間隙配合為最佳,表面粗糙度值控制在Ra=3.2μm以下。

圖3 臺階式心軸示意
(2)工裝使用中的改良。在該加工方案實施后,滿足了加工要素的要求,尺寸精度和幾何公差得到了有效保證,但在批量加工中,由于0°方向2-M2螺紋孔、φ8+0.015 +0 mm孔和180°方向長51mm、寬12mm的環形槽為通孔、通槽,所以在加工時會切削到工裝表面,這樣極大地損壞了工裝的剛性、使用壽命,同時導致其表面粗糙度增大,產生毛刺,在與導向筒配合時嚴重劃傷導向筒內孔,工裝在使用中報廢率增大,需要一直重復制作工裝,極大地增加了工作量。所以在加工完第一件零件后,在工裝的定位部分銑削一個90°定位面,如圖4所示,將此平面作為90°方向的基準,在每次裝夾時用彎尺靠平該基準面,工裝便可以避免零件在加工中出現圓周方向不同程度的切削損壞,達到重復使用的效果。

圖4 心軸改進示意
綜合上述兩種加工方案的實施和對比,采用方案一時工步分散加工需要多次找正、裝夾零件,輔助時間多、生產周期較長,50件產品需要6個工作日來完成,且報廢率高達60%。采用方案二時使用心軸工裝進行“一夾一頂”法加工,一次裝夾滿足所有加工要素的要求,裝夾次數少、能夠極大地減少輔助時間的浪費,從而更有利于保證各表面間的位置精度,50件產品需要3個工作日完成,生產效率提高50%,產品合格率高達100%。
本文針對異形管類組焊零件的特殊形狀和復雜結構,在加工時裝夾和找正難度大,無法滿足高精度、高質量設計要求的問題,通過設計心軸工裝,有效地解決了實際加工中的生產瓶頸,產品質量有效提高,生產效率大幅提升。同時,該心軸為類似產品的加工尋找了有效的加工思路,成為四軸加工中心“一夾一頂”法的重要工裝。