環境光傳感器是一種通過感知周圍光照強度,實時輸出電信號的一種傳感器。環境光傳感器在消費類電子、汽車電子和工業控制等領域均有使用,如智能手機、平板電腦的頂部,都會配置環境光傳感器,通過環境光傳感器感應光照強度,實現屏幕亮度實時控制,起到降低設備功耗、延長設備使用壽命、保護眼睛的作用。

環境光傳感器發展趨勢
隨著環境光傳感器在消費類電子領域的使用逐漸增多,消費類電子又朝著小型化、便攜式發展,因此環境光傳感器也要朝著高度集成化(微型化)、低功耗、智能化等方向發展。
高度集成化(微型化)可減少外圍電路的布局,降低元器件的用量,在一定程度上可實現傳感器的多功能性,降低了BOM成本,縮小了傳感器體積。
低功耗,對于消費類電子來說,使用低功耗電子元件是一直以來的追求,能夠有效延長設備的續航時間,還做到了節能環保。
智能化,目前很多芯片、傳感器都在內部集成了AI算法、DSP處理器等,進一步提高數據處理能力,有助于性能的提升。
環境光傳感器的應用非常廣,目前還不斷向智能家電、物聯網等領域不斷滲透市場需求也呈快速增長的趨勢。隨著應用領域的不斷拓展,環境光傳感器的發展前景十分明朗。
目前,AMS、TI、Vishay、ROHM等國外半導體領域的頭部企業,均有對環境光傳感器的開發并得到終端廠商的應用。
AMS TMD2712環境光傳感器和接近傳感器集成模塊
AMS在光學領域造詣深厚,具有先進的光學解決方案,不管是技術還是生產能力,AMS在傳感器領域的優勢十分明顯。如今,AMS的傳感器業務在消費類電子領域占據著領先地位,致力于研發集成度更高、尺寸更小的傳感器來搶占市場份額,鞏固領先地位。

TMD2712模塊是一款三合一高度集成的傳感器,內部集成了環境光傳感器、接近光傳感器和紅外VCSEL發射器,并且在多合一的高度集成下體積僅為1mm*2mm*0.5mm,可應用于對傳感器體積要求較為嚴格的電子產品中,這款傳感器的面世,刷新了外形尺寸的新紀錄。
TMD2712的接近檢測,是通過紅外VCSEL發射器發射紅外線,再由光電二極管對反射回來的光檢測實現的。TMD2712為環境光傳感器提供了兩個環境光感應通道,通過這兩個通道可以精確地測量出周圍環境光,并計算出光照輻射強度輸出電信號。
TMD2712傳感器供電電壓為1.8V,待機功耗為0.7μA,接近探測距離為15cm,可承受-30℃至85℃工作耐溫區間,采用了6 Pin的OLGA封裝。
TI OPT3004 高靈敏度環境光傳感器
據TI官方顯示,TI的環境光傳感器可以做到優化成本、模擬人眼響應、體積輕薄等特點,應用范圍涵蓋了消費類電子、家用電器、汽車電子等領域。
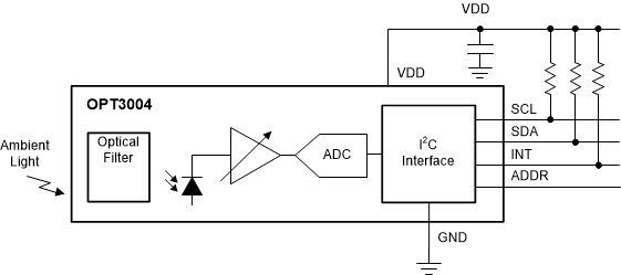
OPT3004是一款用于測量可見光的環境光傳感器,能夠對紅外光進行阻隔,阻隔率為99%,同時具有靈敏的光譜響應。該傳感器的光譜響應曲線能與人眼響應曲線相似,并且對可見光的測量精度不受光照強度影響。

OPT3004具有自適應調節量程范圍功能,量程范圍覆蓋0.01~83k lux,能夠在23位有效動態范圍內完成光照強度測量工作。OPT3004環境光傳感器的測量工作方式分為兩種,一種是連續工作,另外一種是間斷工作。為降低系統功耗,在傳感器進行報告時,處理器可以處于休眠狀態。OPT3004可接入1.6V至3.6V的寬壓電網,工作溫度范圍在-40℃至 +85℃之間,采用了2mm*2mm *0.65mm的USON小尺寸封裝。這款環境光傳感器可應用于顯示背光控制、照明控制系統等。
Vishay高靈敏度的環境光傳感器
Vishay在環境光傳感器方面,為了提高傳感器對光的感應靈敏度,通常Vishay會將獨有的Filtron技術用于光傳感器的研發中,盡可能的讓傳感器的光譜響應達與人眼相匹配,提高產品性能。

VEML6031X00是Vishay的一款高精度、高靈敏度的環境光傳感器,該傳感器可應用于消費類電子與汽車電子中,并且通過了汽車AECQ100標準認證,VEML6031X00的光譜靈敏度與人眼水平接近,測量覆蓋范圍最大達0.01~228k lux,與TI的OPT3004相比提升了不少。該傳感器采用I2C作為通信總線接口,通過配置I2C接口,可實現傳感器連續工作或間斷工作。
VEML6031X00的精度為0.0034lx,與能見度較低的透鏡配合使用可以提高對光源檢測的精度,同時,該傳感器內置的紅外通道可以進行光照強度檢測和靈敏度調節,并完成誤差補償。VEML6031X00的電壓輸入范圍在2.5V~3.6V之間,可適應-40℃至110攝氏度的寬溫工作環境,滿足汽車使用的要求。該傳感器在待機狀態下功耗為0.5μA,采用了2.67 mmx*2.45mm *0.6mm的小封裝,可應用于汽車的自適應大燈,照明燈光亮度調節、顯示器亮度調節等應用中。
總結
隨著各類電子產品的功能增多,電子設備內部的空間逐漸擁擠,環境光傳感器朝著小型化、高度集成化、低功耗、高靈敏度發展已是必然趨勢。如今,傳感器的光譜響應曲線已近似人眼,這也意味著傳感器檢測到的亮度與人眼相似,在實際應用中,能夠調節出適應人眼的亮度,在一定程度上提升了用戶的體驗。